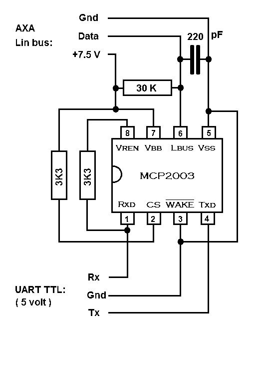
Part List
- USB TTL Converter (UART TTL)
- 2 x 3k3 resistor
- 1 x 30k resistor
- 1 x 220 pf capacitor
Schema:
Putty Command output
Part List
Schema:
Putty Command output
Onderdelen lijst
Besturingssysteem Installeren
Begin met de installatie van Rasbian Lite op je SD volgens deze link
Software installeren
De software om de jukebox te kunnen gebruiken vinden we terug op github
cd /home/pi/
git clone git://github.com/MiczFlor/RPi-Jukebox-RFID.git root@raspberrypi:/opt/RPi-Jukebox-RFID/scripts/installscripts# ./jessie-install-default-01.sh
Buttons toevoegen
Deze buttons worden gebruikt als knoppen op de JukeBox
shut = Button(3, hold_time=2) vol0 = Button(13) volU = Button(16,pull_up=True) volD = Button(19,pull_up=True) next = Button(26) prev = Button(20) halt = Button(21)
Deze buttons schakelen we via een weerstand van 1k Ohm naar de GND om op die manier de GPIO poorten van de Pi te beschermen
NFC Cardreader toevoegen
Verbind de RC522 module op de volgende manier
RFID-pin RPI-pin Functie Kabel SDA 24 CE0 Groen SCK 23 SCLK Blauw MOSI 19 SPI MOSI Paars MISO 21 SPI MISO Grijs IRQ – – – Gnd 6 Gnd Zwart RST 22 GPIO 25 Bruin 3.3V 1 3.3V Rood
Activeer de SPI interface via
raspi-config
Install python-spidev
sudo apt-get install python-spidev sudo apt-get install python-dev
Hierna gaan we SPI-Py downloaden vanaf GitHub: git clone https://github.com/lthiery/SPI-Py.git Nadat library is gecloond vanaf GitHub moeten we SPI-Py toevoegen aan Python: sudo python setup.py install
Kopieer nu de scripts van @keinkurt naar de scripts folder
cd /home/pi/RPi-Jukebox-RFID/scripts wget https://raw.githubusercontent.com/keinkurt/RPi-Jukebox-RFID/MFRC255/scripts/MFRC522.py wget https://raw.githubusercontent.com/keinkurt/RPi-Jukebox-RFID/MFRC255/scripts/Reader.py wget https://raw.githubusercontent.com/keinkurt/RPi-Jukebox-RFID/MFRC255/scripts/rfid_trigger_play.sh
Muziek toevoegen
De muziek files staat in
/home/pi/RPi-Jukebox-RFID/shared/audiofolders/
en er mag er geen spatie in de map naam staan want dan werkt het afspelen niet. Daarom hebben ze allemaal undercores i.p.v spaties in de mapnaam
Het is ook mogelijk om gebruik te maken van playlisten. Deze zijn
Internet Radio
De radio zenders komen vanaf http://www.radio-browser.info/gui/#/
root@JukeBox:/home/pi/RPi-Jukebox-RFID/shared/audiofolders/InternetRadio#
vim Radio538.pls
File1=http://17893.live.streamtheworld.com:3690/RADIO538_SC Title1=Radio 538
vim Qmusic.pls
File1=http://icecast-qmusic.cdp.triple-it.nl/Qmusic_nl_live_32.aac Title1=Qmusic
vim Veronica.pls
File1=http://19993.live.streamtheworld.com/VERONICAAAC.aac Title1=Radio Veronica
Eind resultaat
This is a short tutorial to run a Ubuntu 13.04 jail on FreeNAS
First we need to create a Jail template
– Go to the web interface and open the jails section
– Create a new template name it Ubuntu 13.04 and use the folllowing url http://download.freenas.org/jails/9.2/x64/linux-ubuntu-13.04.tgz
– After this we can create a new jail selecting the new template
Ik kwam deze video tegen over hoe internet nu werkt..
Omdat het soms handig is om een MediaPortal stream te kijken via een Laptop of Telefoon heb ik het volgende gedaan. In MediaPortal is het standaard mogelijk om een stream uit te zenden door in de MediaPortal Tv Server te gaan naar Manual en daar een zender te kiezen en te drukken op TimeShift
Nu zal MediaPortal dit kanaal gaan testen maar daarnaast ook een stream aanmaken.
http://192.168.110.30/stream2.0
Soms kan de stream naam afwijken maar dit kun je terug vinden in de logfile
c:\programdata\team mediaportal\mediaportal\MediaPortal TV Server\log\streaming server.Log"
Helaas is het i.v.m de bandbreedte niet mogelijk om deze stream te bekijken op een laptop/mobile device en daarom moeten we wat extra doen met de stream. In dit voorbeeld gebruik ik hiervoor een RaspberryPI. Eventueel is het mogelijk om alles op de MediaPortal machine te doen.
De RaspberryPI is geinstalleerd met Debian Weezy waarbij we de volgende extra software pakketten hebben geinstalleerd
apt-get install screen
apt-get install vlc
Nu kunnen we VLC starten op de RaspberryPI, dit doen we in een screen
pi$ screen
pi$ cvlc -vvv rtsp://192.168.110.30/stream3.0 --sout '#standard{access=http,mux=ogg,dst=192.168.110.57:8080}'
Nu kunnen we met CTRL A+D de screen sessie verlaten en zijn we klaar op de PI. VLC zal op de achtergrond blijven draaien. (Gebruik screen -r om weer verbinding te maken met screen)
De Raspberry zal nu de stream openen welke gemaakt wordt door de MediaPortal machine en deze omzetten naar een stream waarmee de laptop/telefoon over weg kunnen.
De stream is op de volgende manier te opene via VLC
Media -> Open Network Stream -> http://192.168.110.57:8080 (RaspberryIP)
Op de RaspberryPI
apt-get install pulseaudio
vim /etc/pulse/default.pa
vim /etc/pulse/system.pa
load-module module-simple-protocol-tcp port=5000 #choose your port here.
vim /etc/default/pulseaudio (and enable system start)
/etc/init.d/pulseaudio restart
Op de windows computer
http://liveincode.romanrm.ru/download/liveincode/0.94/LiveInCode-full-0.94.exe
http://eternallybored.org/misc/netcat/netcat-win32-1.11.zip
linco -B 16 -C 2 -R 44100 | nc <Linux IP> 5000
Installing Windows Virtual Audio Card (selecteren als output en input)
http://www.fox-magic.com/vac.php
Als we nu muziek afspelen komt dit uit de Pi
http://ubuntuforums.org/showthread.php?t=1121603
Alternatief
http://www.rogueamoeba.com/airfoil/windows/
In het verleden heb ik wel eens gebruik gemaakt van een KlikaanKlikuit AMST-606 deur contact om de verlichting aan/uit te laten gaan. Dit werkte wel maar de afstand was vaak een probleem. Dit heb ik opgelost met een antenne gemaakt van een UTP draadje van 17cm lang. Begin met het verwijderen van de huidige antenne (spiraaltje). Soldeer het UTP draadje op de plek van de spiraal aan de groene kant rechts bovenin.
Vandaag een poging gedaan om de wasmachine uit te lezen doormiddel van de status leds op het display. Hierbij de tekeningen van de wasmachine
Tekening 1
Tekening 2
Tekening 3
Tekening 4
Ondanks dat het MEIN wasmachine is krijg ik vast geen toestemming om hem open te schroeven. Als alternatief gaan we eerst aan de slag met een manier om de status leds uit te lezen. Het is bijvoorbeeld mogelijk om dit te doen met een LDR (lichtgevoelige weerstand)
Voorbeeld:
http://www.domotica.famschenk.eu/Led_uitlezing.html
De sensor die ik wil gebruiken voor het lezen van de led status
In mijn huis heb ik een aantal IKEA Dioder led strips welke niet op afstand zijn te bedienen. Daarom heb ik ze aangepast en gebruik ik nu alleen nog maar de LED strips van de Dioder
Dit is de set zoals deze in het verleden bij ikea te koop was, inmiddels is hij vervangen door een nieuwe serie.
Deze is vervangen door een Barthelme Chromoflex-T RGB Controller welke hier te bestellen is. Zoals te lezen in de handleiding beschikt deze controller over een com-poort en de mogelijkheid om 4 knoppen aan te sluiten.
Zodra alle spullen binnen zijn gaan we verder 🙂